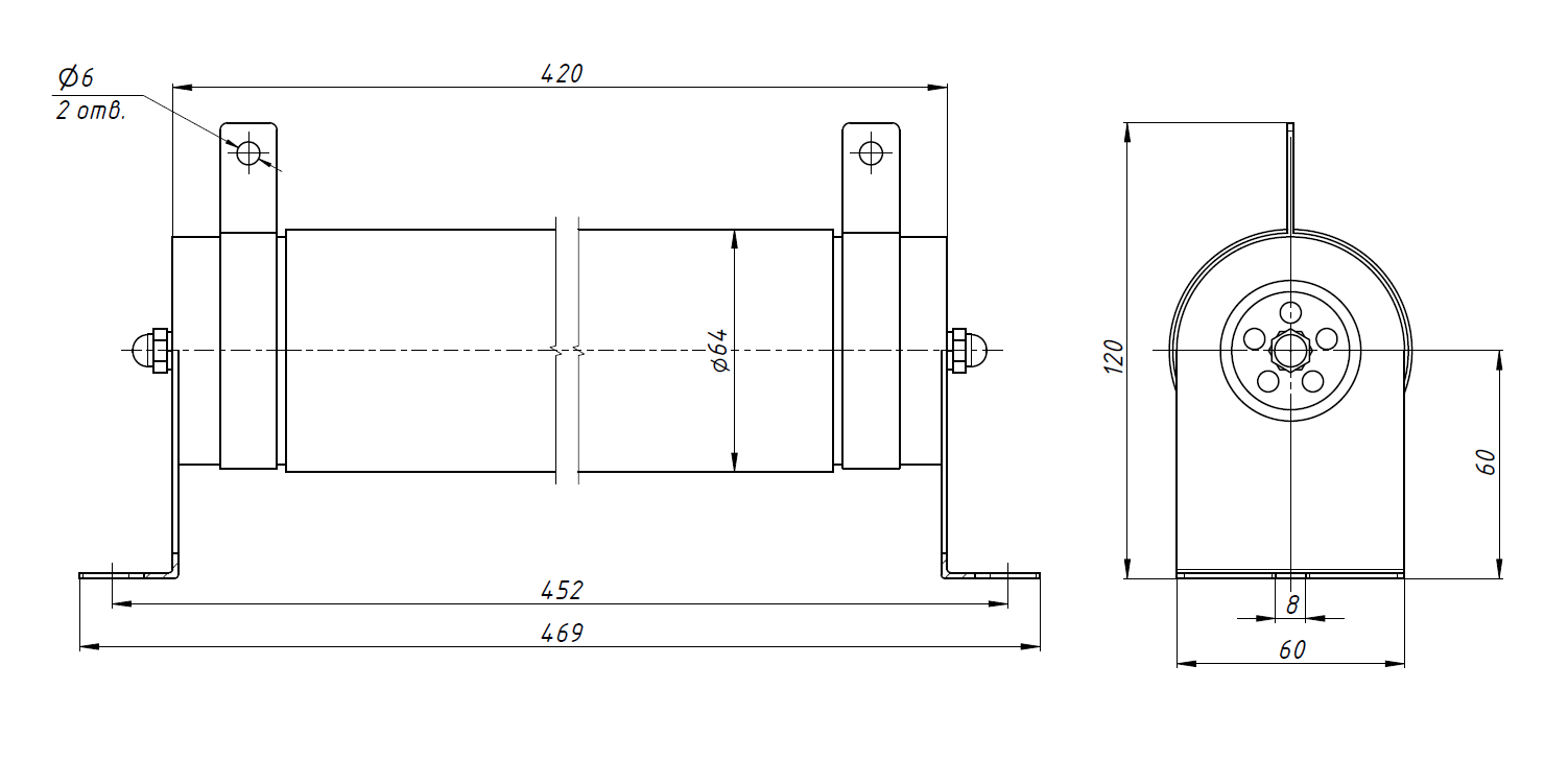
Шпиндельный серводвигатель 5,5кВт 8000rpm (комплект) предназначен для работы с внешним шпинделем (шпиндельной головой). Соединение осуществляется посредством ременной передачи. Подходит для использования на металлообрабатывающих фрезерных, токарных, шлифовальных и других станках.
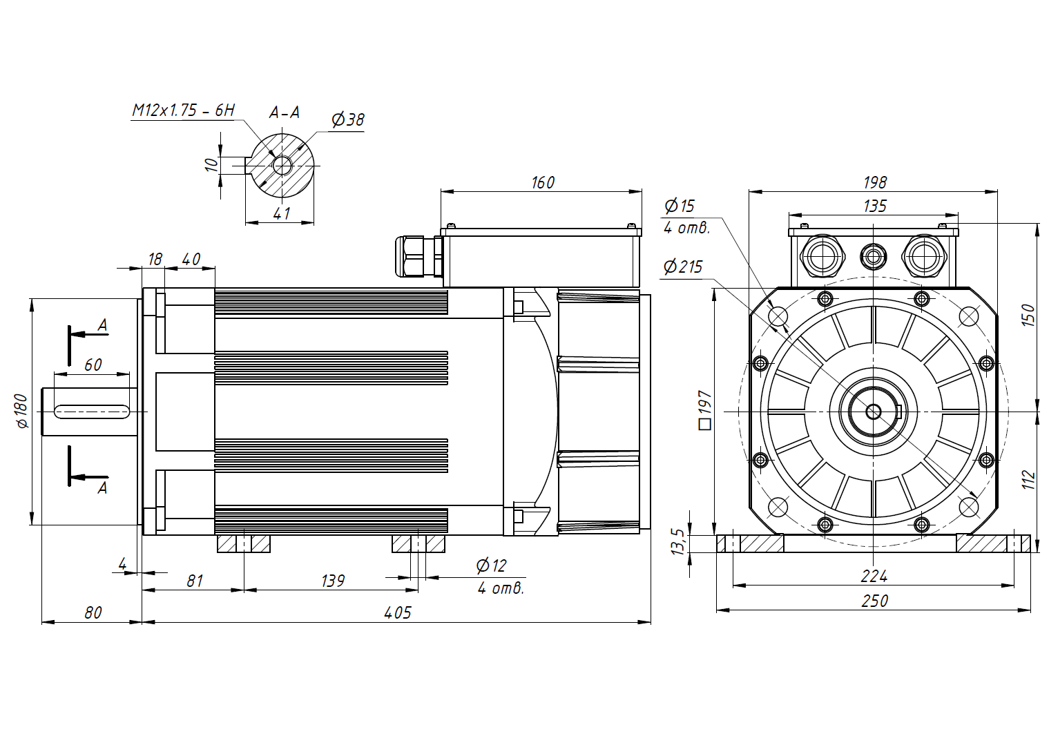
Комплект шпиндельного сервопривода состоит из серводрайвера TH-S3a-H55F-RANF, серводвигателя 380-200M-15-80-5R5, тормозного резистора RXHG-1500W-50RJ и проводов длиной 5м для подключения силового питания и энкодера.
Шпиндельный серводвигатель с энкодером 380-200M-15-80-5R5 представляет собой трехфазный бесколлекторный электродвигатель с высоким КПД.
Серводрайвер TH-S3a-H55F-RANF c поддержкой обратной связи для асинхронных шпиндельных электродвигателей c питающим напряжением 380 В, мощностью до 5.5 кВт. Драйвер поддерживает управление PUL/DIR, CW/CCW, A/B, имеет защиту от превышения напряжения, тока, нагрузки и скорости, ошибок позиционирования, неисправности тормоза и энкодера.
Технические характеристики серводрайвера
| Напряжение питания | 380 В переменного тока, 3 фазы |
| Максимальный выходной ток | 30 А |
| Номинальная мощность | 5,5 кВт |
| Тип энкодера | Инкрементный энкодер 2500ppr |
| Режимы управления |
Управление скоростью Управление положением Управление скоростью/положением Ручной режим |
| Диапазон скоростей |
1-30000 об/мин, максимальная выходная частота 1 кГц (при замкнутом контуре регулирования скорости) |
|
Коэффициент настройки скорости |
1-30000 об/мин, диапазон регулировок скорости при постоянной мощности >4:1 (соответствует скорости стандартного двигателя в пределах 1500-6000 об/мин) |
| Дискретность изменения скорости |
При изменении нагрузки от 0% до 100% дискретность изменения скорости уменьшается (номинальная скорость 0.1%) |
| Диапазон напряжения |
DC 0-10 В входные и выходные сигналы. DC -10 В ~+10 В |
| Интерфейс управления | PUL/DIR, CW/CCW, A/B |
| Управление скоростью и положением |
Коэффициент умножения команд: -32767 +32767, Коэффициент деления команд: от 1 до 32767 |
| Выход энкодера | Дифференциальный выход (A, B, Z) |
| Выход сигналов состояния |
Готовность шпинделя, выход нулевой скорости, достижение заданного положения/скорости, выход ошибки, завершения позиционирования шпинделя, и т.д. |
| Вход сигналов управления |
Готовность шпинделя, CCW, CW, сброс ошибки, позиционирование шпинделя, переключение режимов работы и т.д. |
| Тормозной резистор | Встроенный тормозной резистор и внешний тормозной резистор |
| Функции панели управления |
4 кнопки для просмотра состояния драйвера, настройки параметров и выполнения других функций |
| Функции дисплея |
Пятисегментный дисплей позволяет отслеживать значения скорости, момента, сигналов энкодера, отклонение от заданного положения, ток, выходное напряжение, состояние входов и выходов, режим управления, код ошибки, и т.д. |
| Функции защиты |
Защита от превышения напряжения, падения напряжения, превышения тока и нагрузки, превышения скорости, ошибки позиционирования, неисправности тормоза или энкодера, и т.д. |
| Функция внутреннего задания скоростей | Возможность выбора предустановленных установок скоростей |
| Функция позиционирования шпинделя |
Поддержка функций высокоскоростного перехода в точку смены инструмента, выбора направления движения и координаты |
| Функция нарезки резьбы |
Поддержка управления интерполяцией координат осей при выполнении нарезки резьбы и резьбовых отверстий |
| Скоростная функция сервопривода |
Усовершенствованные алгоритмы управления шпинделем для обеспечения всех функций сервопривода |
Тормозной резистор RXHG-1500W-50RJ используются в преобразователях частоты для уменьшения времени торможения асинхронного двигателя. При торможении, двигатель отдаёт энергию назад в преобразователь, т.е. работает в режиме генератора. Преобразователь пытается уменьшить напряжение, но при этом увеличивается общее время торможения, двигатель останавливается плавно.
Если требуется произвести быстрое торможение асинхронного двигателя, необходимо использовать тормозные резисторы.
Технические характеристики тормозного резистора
| Мощность | 1500 Вт |
| Сопротивление | 50 Ом |
Для покупки товара в нашем интернет-магазине выберите понравившийся товар и добавьте его в корзину. Далее перейдите в Корзину и нажмите на «Оформить заказ» или «Быстрый заказ».
Когда оформляете быстрый заказ, напишите ФИО, телефон и e-mail. Вам перезвонит менеджер и уточнит условия заказа. По результатам разговора вам придет подтверждение оформления товара на почту или через СМС. Теперь останется только ждать доставки и радоваться новой покупке.
Оформление заказа в стандартном режиме выглядит следующим образом. Заполняете полностью форму по последовательным этапам: адрес, способ доставки, оплаты, данные о себе. Советуем в комментарии к заказу написать информацию, которая поможет курьеру вас найти. Нажмите кнопку «Оформить заказ».
Оплачивайте покупки удобным способом. В интернет-магазине доступно несколько вариантов оплаты:
- Наличные при самовывозе или доставке курьером. Специалист свяжется с вами в день доставки, чтобы уточнить время и заранее подготовить сдачу с любой купюры. Вы подписываете товаросопроводительные документы, вносите денежные средства, получаете товар и чек.
- Безналичный расчет при самовывозе или оформлении в интернет-магазине: карты Visa, MasterCard и МИР. Чтобы оплатить покупку, система перенаправит вас на сервер платежной системы. Здесь нужно ввести номер карты, срок действия и имя держателя.
- Счет на оплату, который после обработки заказа наш менеджер вышлет Вам на указанный электронный адрес.
Уважаемые клиенты, мы осуществляем доставку ваших заказов по всей территории России.
Мы сотрудничаем со многими транспортными компаниями, но не принуждаем вас работать с ними, если для вас это неудобно. Вы выбираете понравившегося вам перевозчика из списка представленного на нашем сайте, а если в нем нет нужной вам компании, то просто укажите её в комментариях к вашему заказу. И мы отправим ваш заказ именно этой компанией.
Рассчитать стоимость доставки до вашего города можно на официальном сайте выбранной транспортной компании.
Обращаем внимание, что за Товар в процессе его перевозки транспортной компанией ответственность несет Клиент. Все претензии по доставке Клиент предъявляет напрямую исключительно транспортной компании. Срок и место доставки Товара транспортной компанией, выбранной и оплаченной Клиентом, определяется совместно Клиентом и транспортной компанией до даты отгрузки Товара последней Продавцом.
