Шарико-винтовая передача - разновидность передачи винт-гайка для преобразования вращательного движения вала в поступательное движение гайки. Винт и гайка взаимодействуют не напрямую, а через тела качения - шарики, за счет этого обеспечивается точное и плавное перемещение. Отсутствие трения скольжения снижает стартовый момент и увеличивает эффективность, КПД данного вида передачи достигает 98%.
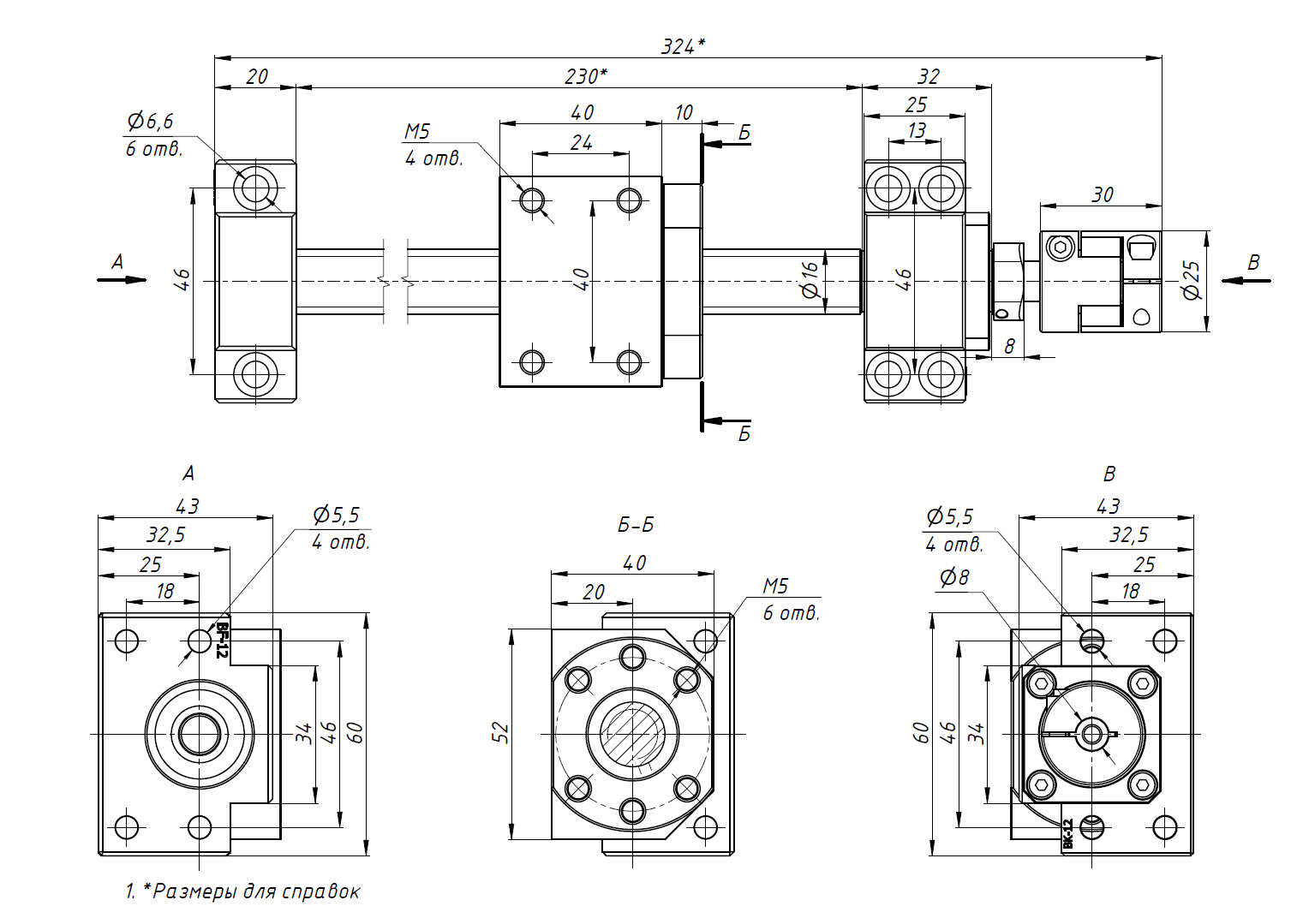
Комплект ШВП состоит из обработанного винта с гайкой, модуля крепления гайки ШВП, опорами BK BF и кулачковой муфты.
Фиксация гайки ШВП в модуле её крепления производится с помощью винтов М5х16, которые в комплект поставки не входят.
Комплектация:
- Винт ШВП SFU1605 – 1 шт.
- Гайка ШВП SFU1605 – 1 шт.
- Модуль крепления гайки ШВП DSG16H – 1 шт.
- Опора BK12 – 1 шт.
- Опора BF12 – 1 шт.
- Кулачковая муфта D25L30 8-10 – 1 шт.
Внимание!!! Винты крепления гайки ШВП в комплект не входят
Для покупки товара в нашем интернет-магазине выберите понравившийся товар и добавьте его в корзину. Далее перейдите в Корзину и нажмите на «Оформить заказ» или «Быстрый заказ».
Когда оформляете быстрый заказ, напишите ФИО, телефон и e-mail. Вам перезвонит менеджер и уточнит условия заказа. По результатам разговора вам придет подтверждение оформления товара на почту или через СМС. Теперь останется только ждать доставки и радоваться новой покупке.
Оформление заказа в стандартном режиме выглядит следующим образом. Заполняете полностью форму по последовательным этапам: адрес, способ доставки, оплаты, данные о себе. Советуем в комментарии к заказу написать информацию, которая поможет курьеру вас найти. Нажмите кнопку «Оформить заказ».
Оплачивайте покупки удобным способом. В интернет-магазине доступно несколько вариантов оплаты:
- Наличные при самовывозе или доставке курьером. Специалист свяжется с вами в день доставки, чтобы уточнить время и заранее подготовить сдачу с любой купюры. Вы подписываете товаросопроводительные документы, вносите денежные средства, получаете товар и чек.
- Безналичный расчет при самовывозе или оформлении в интернет-магазине: карты Visa, MasterCard и МИР. Чтобы оплатить покупку, система перенаправит вас на сервер платежной системы. Здесь нужно ввести номер карты, срок действия и имя держателя.
- Счет на оплату, который после обработки заказа наш менеджер вышлет Вам на указанный электронный адрес.
Уважаемые клиенты, мы осуществляем доставку ваших заказов по всей территории России.
Мы сотрудничаем со многими транспортными компаниями, но не принуждаем вас работать с ними, если для вас это неудобно. Вы выбираете понравившегося вам перевозчика из списка представленного на нашем сайте, а если в нем нет нужной вам компании, то просто укажите её в комментариях к вашему заказу. И мы отправим ваш заказ именно этой компанией.
Рассчитать стоимость доставки до вашего города можно на официальном сайте выбранной транспортной компании.
Обращаем внимание, что за Товар в процессе его перевозки транспортной компанией ответственность несет Клиент. Все претензии по доставке Клиент предъявляет напрямую исключительно транспортной компании. Срок и место доставки Товара транспортной компанией, выбранной и оплаченной Клиентом, определяется совместно Клиентом и транспортной компанией до даты отгрузки Товара последней Продавцом.
