Серия QE низкопрофильная с низкошумной технологией (SynchMotion)
Класс точности - C (нормальный)
HIWIN — это известный производитель высококачественных линейных направляющих и систем перемещения. Продукция компании отличается высокой точностью, надёжностью и долговечностью, что делает её идеальным выбором для использования в различных отраслях промышленности.
Применение линейных направляющих HIWIN в станках с ЧПУ позволяет обеспечить высокую точность и плавность перемещения рабочего инструмента. Это особенно актуально при выполнении сложных операций, таких как обработка кромок, сверление отверстий и создание сложных геометрических форм.
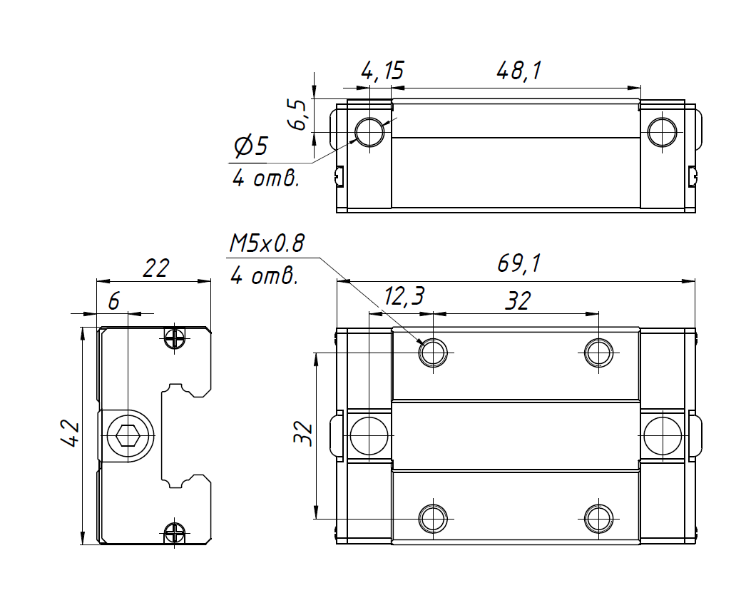
Взаимозаменяемый модуль опорный (каретка) HIWIN серии QE состоит из корпуса, в котором расположены 2 ряда металлических шариков, их перемещение происходит в замкнутом контуре. Серия QE с технологией SynchMotionTM обладает всеми преимуществами серии EG, а также предлагает плавное и бесшумное перемещение, превосходную смазку и длительный срок службы. Для смазки предусмотрены отверстия, в которые вворачивается пресс-масленка. Серия QE взаимозаменяема с серией EG.
Для покупки товара в нашем интернет-магазине выберите понравившийся товар и добавьте его в корзину. Далее перейдите в Корзину и нажмите на «Оформить заказ» или «Быстрый заказ».
Когда оформляете быстрый заказ, напишите ФИО, телефон и e-mail. Вам перезвонит менеджер и уточнит условия заказа. По результатам разговора вам придет подтверждение оформления товара на почту или через СМС. Теперь останется только ждать доставки и радоваться новой покупке.
Оформление заказа в стандартном режиме выглядит следующим образом. Заполняете полностью форму по последовательным этапам: адрес, способ доставки, оплаты, данные о себе. Советуем в комментарии к заказу написать информацию, которая поможет курьеру вас найти. Нажмите кнопку «Оформить заказ».
Оплачивайте покупки удобным способом. В интернет-магазине доступно несколько вариантов оплаты:
- Наличные при самовывозе или доставке курьером. Специалист свяжется с вами в день доставки, чтобы уточнить время и заранее подготовить сдачу с любой купюры. Вы подписываете товаросопроводительные документы, вносите денежные средства, получаете товар и чек.
- Безналичный расчет при самовывозе или оформлении в интернет-магазине: карты Visa, MasterCard и МИР. Чтобы оплатить покупку, система перенаправит вас на сервер платежной системы. Здесь нужно ввести номер карты, срок действия и имя держателя.
- Счет на оплату, который после обработки заказа наш менеджер вышлет Вам на указанный электронный адрес.
Уважаемые клиенты, мы осуществляем доставку ваших заказов по всей территории России.
Мы сотрудничаем со многими транспортными компаниями, но не принуждаем вас работать с ними, если для вас это неудобно. Вы выбираете понравившегося вам перевозчика из списка представленного на нашем сайте, а если в нем нет нужной вам компании, то просто укажите её в комментариях к вашему заказу. И мы отправим ваш заказ именно этой компанией.
Рассчитать стоимость доставки до вашего города можно на официальном сайте выбранной транспортной компании.
Обращаем внимание, что за Товар в процессе его перевозки транспортной компанией ответственность несет Клиент. Все претензии по доставке Клиент предъявляет напрямую исключительно транспортной компании. Срок и место доставки Товара транспортной компанией, выбранной и оплаченной Клиентом, определяется совместно Клиентом и транспортной компанией до даты отгрузки Товара последней Продавцом.
