Подробно с руководством по настройке можете ознакомиться здесь
http://wcnc.ru/index.php?title=Modbus
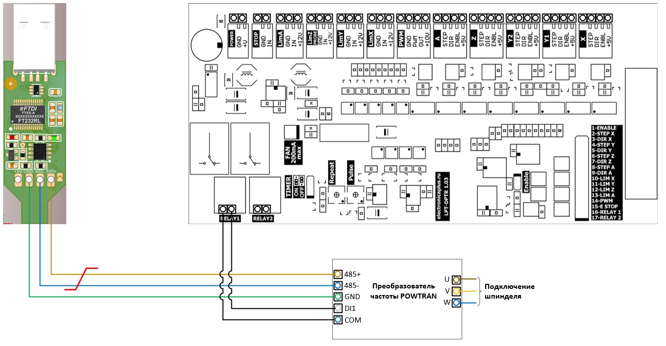
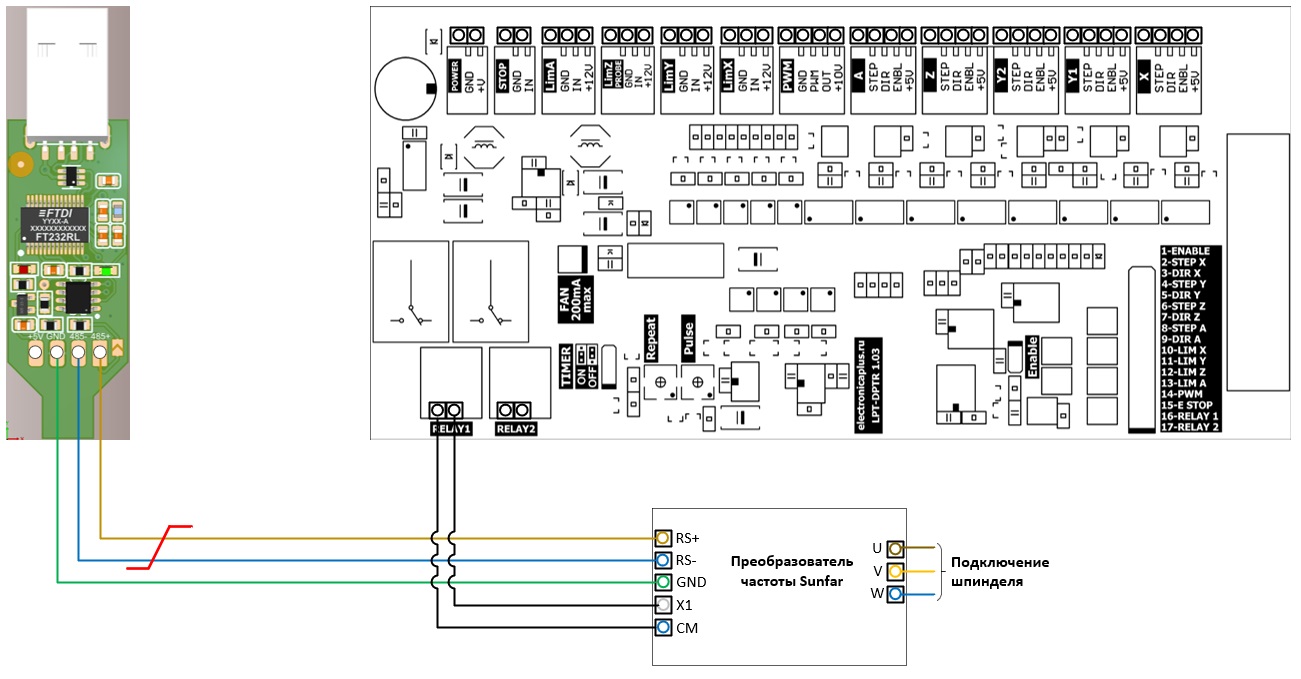
Для организации связи между ПК и ПЧ необходим конвертер USB to RS-485, так как на компьютере зачастую отсутствует интерфейс RS-485.
Конвертер USB to RS-485
На борту данного устройства расположились 5 контактных площадок (+5V, GND, 485-, 485+, «пайка-пермычка» (площадка для впаивания перемычки)).
– +5V/GND вывода питания (если необходимо; GND используется при 3-х проводной схеме подключения)
– К контактам 485-/+ подпаиваются сигнальные провода
– «пайка-перемычка» используется для подключения 120 Ом резистора параллельно сигнальным выводам 485-/+ (используется в основном при большой длине кабеля)
Для надежной работы системы необходимо использовать кабель с витыми парами и экраном, а так же ,в случаи сильных помех из вне, используйте трехпроходную схему подключения.
| Параметр | Описание | Заводские значения | Необходимые значения |
|---|---|---|---|
| F0.02 | Дискретность задания частоты = 0,1 Гц | 2 | 1 |
| F0.03 |
Источник задания частоты = с лицевой панели (да на данном ПЧ управление через порт работает с такой выставкой параметра) |
1 | 0 |
| F0.11 | Источник команд управления = команды через коммуникационный порт | 0 | 2 |
| F9.00 | Скорость передачи данных = 9600 кБод | 6005 | 6005 |
| F9.01 | Формат данных = 8-N-1 | 0 | 0 |
| F9.02 | Порядковый номер ПЧ = 1 | 1 | 1 |
| F9.05 | Формат передачи данных = стандартный протокол MODBUS | 31 | 31 |
| Параметр | Описание | Заводские значения | Необходимые значения |
|---|---|---|---|
| F0.02 |
Источник задания частоты = с лицевой панели (да на данном ПЧ управление через порт работает с такой выставкой параметра) |
0 | 0 |
| F0.04 | Источник команд управления = команды через коммуникационный порт | 0 | 2 |
| F9.00 | Скорость передачи данных = 9600 кБод | 3 | 3 |
| F9.01 | Формат данных = 8-N-1 | 1 | 0 |
| F9.02 | Порядковый номер ПЧ = 1 | 1 | 1 |
| F9.05 | Формат передачи данных = стандартный протокол MODBUS | 0 | 1 |
| Параметр | Описание | Заводские значения | Необходимые значения |
|---|---|---|---|
| F0.00 | Источник задания частоты = через коммуникационный порт | 3 | 2 |
| F0.02 | Источник команд управления = команды через коммуникационный порт | 1000 | 1002 |
| F4.00 | Коммуникационные данные = 9600 кБод , 8-N-1, стандартный протокол MODBUS | 0114 | 0104 |
| F4.01 | Порядковый номер ПЧ = 1 | 1 | 1 |
Для покупки товара в нашем интернет-магазине выберите понравившийся товар и добавьте его в корзину. Далее перейдите в Корзину и нажмите на «Оформить заказ» или «Быстрый заказ».
Когда оформляете быстрый заказ, напишите ФИО, телефон и e-mail. Вам перезвонит менеджер и уточнит условия заказа. По результатам разговора вам придет подтверждение оформления товара на почту или через СМС. Теперь останется только ждать доставки и радоваться новой покупке.
Оформление заказа в стандартном режиме выглядит следующим образом. Заполняете полностью форму по последовательным этапам: адрес, способ доставки, оплаты, данные о себе. Советуем в комментарии к заказу написать информацию, которая поможет курьеру вас найти. Нажмите кнопку «Оформить заказ».
Оплачивайте покупки удобным способом. В интернет-магазине доступно несколько вариантов оплаты:
- Наличные при самовывозе или доставке курьером. Специалист свяжется с вами в день доставки, чтобы уточнить время и заранее подготовить сдачу с любой купюры. Вы подписываете товаросопроводительные документы, вносите денежные средства, получаете товар и чек.
- Безналичный расчет при самовывозе или оформлении в интернет-магазине: карты Visa, MasterCard и МИР. Чтобы оплатить покупку, система перенаправит вас на сервер платежной системы. Здесь нужно ввести номер карты, срок действия и имя держателя.
- Счет на оплату, который после обработки заказа наш менеджер вышлет Вам на указанный электронный адрес.
Уважаемые клиенты, мы осуществляем доставку ваших заказов по всей территории России.
Мы сотрудничаем со многими транспортными компаниями, но не принуждаем вас работать с ними, если для вас это неудобно. Вы выбираете понравившегося вам перевозчика из списка представленного на нашем сайте, а если в нем нет нужной вам компании, то просто укажите её в комментариях к вашему заказу. И мы отправим ваш заказ именно этой компанией.
Рассчитать стоимость доставки до вашего города можно на официальном сайте выбранной транспортной компании.
Обращаем внимание, что за Товар в процессе его перевозки транспортной компанией ответственность несет Клиент. Все претензии по доставке Клиент предъявляет напрямую исключительно транспортной компании. Срок и место доставки Товара транспортной компанией, выбранной и оплаченной Клиентом, определяется совместно Клиентом и транспортной компанией до даты отгрузки Товара последней Продавцом.
