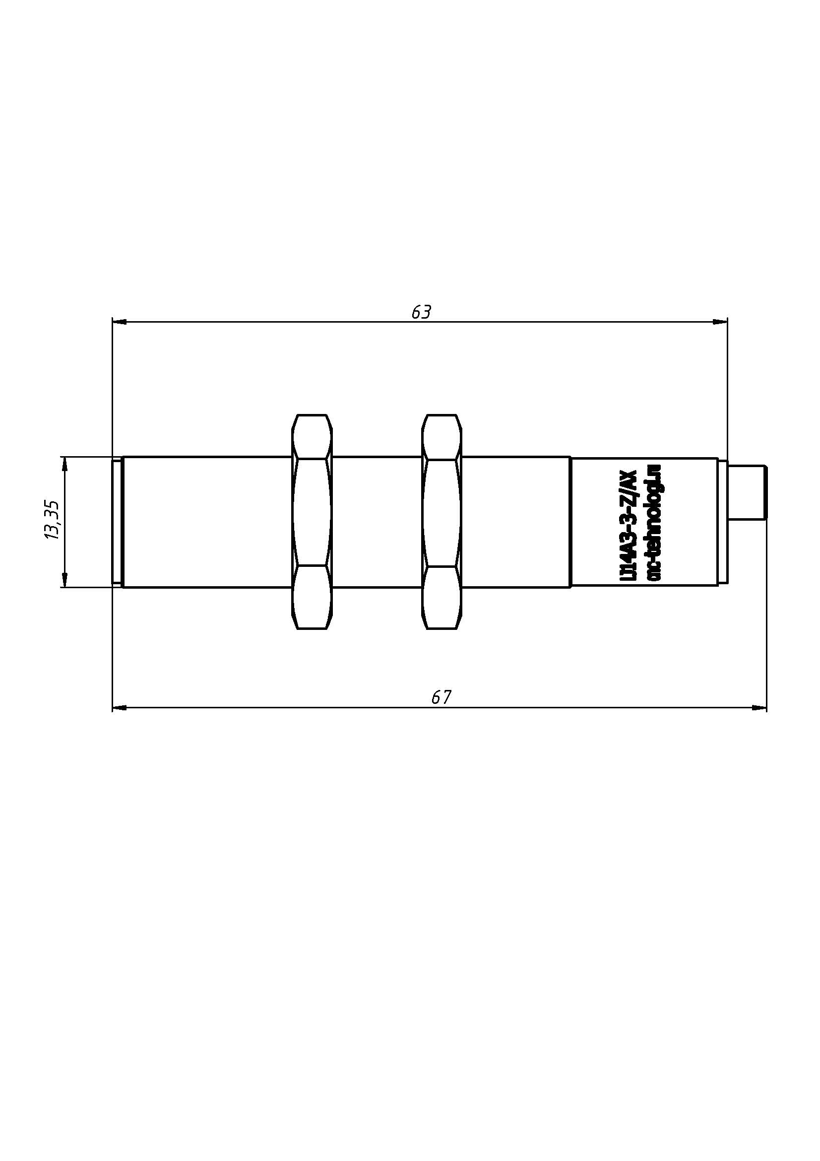
Концевой индуктивный датчик LJ14A3-3-Z/АX используется для контроля положения металлических объектов или расстояния до них (активируется наличием металла в зоне срабатывания). Принцип действия индуктивного датчика основан на изменении параметров магнитного поля, создаваемого катушкой индуктивности внутри датчика.
Датчик должен быть установлен чувствительным элементом в сторону зоны измерения. Датчик может быть установлен в монтажное отверстие диаметром 14 мм. Для этого на корпусе датчика есть две гайки и две шайбы. Датчик герметичен, потому может быть установлен в агрессивной среде. Дистанция срабатывания датчика - 2 мм. На задней торцевой части датчика установлен красный светодиод, который загорается при нахождении в зоне срабатывания металлического объекта.
Датчик имеет транзисторный выход NPN полярности и нормально закрытое состояние выхода.
Концевой индуктивный датчик LJ8A3-2-Z/ВX имеет три проводника для подключения к контроллеру и питанию. Проводники маркированы цветом: коричневый – напряжение питания, черный – выходной сигнал, синий – общий проводник (200 мА).
Схема подключения датчика:
Для покупки товара в нашем интернет-магазине выберите понравившийся товар и добавьте его в корзину. Далее перейдите в Корзину и нажмите на «Оформить заказ» или «Быстрый заказ».
Когда оформляете быстрый заказ, напишите ФИО, телефон и e-mail. Вам перезвонит менеджер и уточнит условия заказа. По результатам разговора вам придет подтверждение оформления товара на почту или через СМС. Теперь останется только ждать доставки и радоваться новой покупке.
Оформление заказа в стандартном режиме выглядит следующим образом. Заполняете полностью форму по последовательным этапам: адрес, способ доставки, оплаты, данные о себе. Советуем в комментарии к заказу написать информацию, которая поможет курьеру вас найти. Нажмите кнопку «Оформить заказ».
Оплачивайте покупки удобным способом. В интернет-магазине доступно несколько вариантов оплаты:
- Наличные при самовывозе или доставке курьером. Специалист свяжется с вами в день доставки, чтобы уточнить время и заранее подготовить сдачу с любой купюры. Вы подписываете товаросопроводительные документы, вносите денежные средства, получаете товар и чек.
- Безналичный расчет при самовывозе или оформлении в интернет-магазине: карты Visa, MasterCard и МИР. Чтобы оплатить покупку, система перенаправит вас на сервер платежной системы. Здесь нужно ввести номер карты, срок действия и имя держателя.
- Счет на оплату, который после обработки заказа наш менеджер вышлет Вам на указанный электронный адрес.
Уважаемые клиенты, мы осуществляем доставку ваших заказов по всей территории России.
Мы сотрудничаем со многими транспортными компаниями, но не принуждаем вас работать с ними, если для вас это неудобно. Вы выбираете понравившегося вам перевозчика из списка представленного на нашем сайте, а если в нем нет нужной вам компании, то просто укажите её в комментариях к вашему заказу. И мы отправим ваш заказ именно этой компанией.
Рассчитать стоимость доставки до вашего города можно на официальном сайте выбранной транспортной компании.
Обращаем внимание, что за Товар в процессе его перевозки транспортной компанией ответственность несет Клиент. Все претензии по доставке Клиент предъявляет напрямую исключительно транспортной компании. Срок и место доставки Товара транспортной компанией, выбранной и оплаченной Клиентом, определяется совместно Клиентом и транспортной компанией до даты отгрузки Товара последней Продавцом.
